ru
en
ro
Home
Contact us
Contact us
About us
News
Jack Info
Guarantee of qualities
Lockstitch
Overlock
Interlock
Special Machine
Spare Parts
Search
ru
en
ro
JK-1790
Parts Code
0
Nr.
Description
1
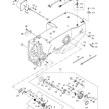
FRAME & MISCELLANEOUS COVER COMPONENTS (1)
2
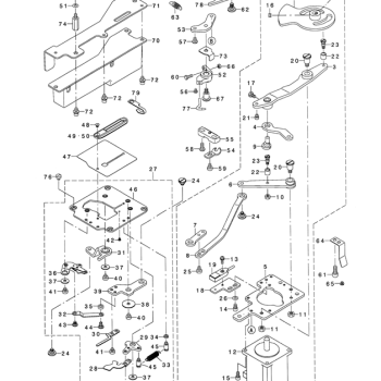
FRAME & MISCELLANEOUS COVER COMPONENTS (2)
3
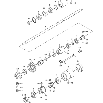
MAIN SHAFT COMPONENTS
4
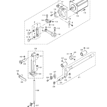
HOOK DRIVING SHAFT COMPONENTS
5
PRESSER & FEED COMPONENTS
6
NEEDLE BAR ROCKING COMPONENTS
7
NEEDLE THREAD TRIMMER COMPONENTS
8
BOBBIN THREAD TRIMMER COMPONENTS
9
CLOTH CUTTING KNIFE COMPONENTS
10
ACCESSORIE COMPONENTS
11
THREAD STAND COMPONENTS
12
SPECIAL SPECIFICATIONS COMPONENTS
13
EXCHANGING PARTS