ru
en
ro
Acasa
Contacte
Contacte
Despre noi
Noutăți
Despre fabrica
Garantie si calitate
Liniare
Surfilat
Cusaturi de Acoperire
Masini Speciale
Piese de schimb
Search
ru
en
ro
JK-8009 HF
Parts Code
0
Nr.
Description
1
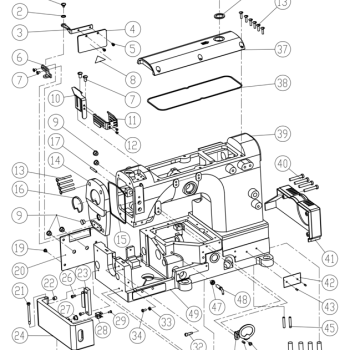
(Русский) (1) Frane assemblies
2
(Русский) (2) Frane assemblies
3
(Русский) Feed assemblies
4
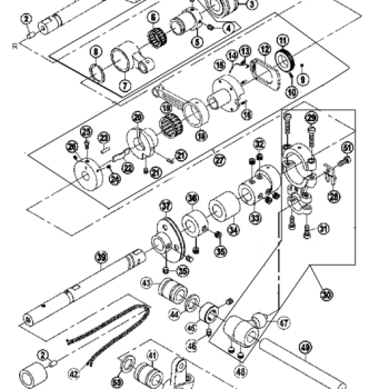
(Русский) Crankshaft Drive assemblies
5
(Русский) Shaft assemblies
6
(Русский) Looper shaft assemblies
7
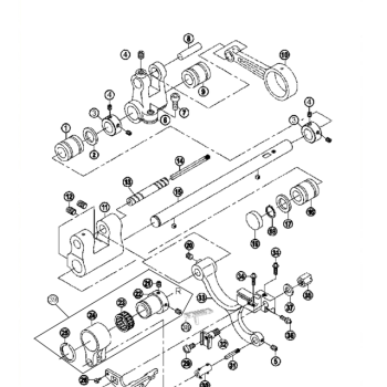
(Русский) Lower looper assemblies
8
(Русский) Needle bar assemblies
9
(Русский) Presser foot assemblies
10
(Русский) Tension spring assemblies
11
(Русский) Lubrication assemblies
12
(Русский) After Cam Fight assemblies
13
(Русский) After Cam assemblies
14
(Русский) Accessories Assemblies