ru
en
ro
Главная
Контакты
Контакты
О нас
Новости
О заводе
Сервисный центр и гарантия
Прямострочные
Оверлоки
Распошивальные
Спец. Машины
Запчасти
Search
ru
en
ro
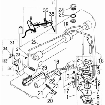
JK-5559
Parts Code
0
Nr.
Description
1
Arm bed components
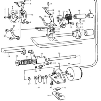
2
Main shaft、take-up components
3
Needle bar, thread tension components
4
Presser bar components
5
Hook driving shaft components
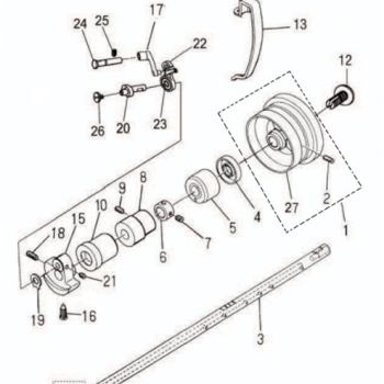
6
Feed mechanism components
7
Feed regulating components
8
Lubrication components
9
Knife Components
10
Thread trimmer components
11
Thread trimmer components
12
Auto lifter components
13
JK-5559WD Components