ru
en
ro
Главная
Контакты
Контакты
О нас
Новости
О заводе
Сервисный центр и гарантия
Прямострочные
Оверлоки
Распошивальные
Спец. Машины
Запчасти
Search
ru
en
ro
JK-8669
Parts Code
0
Nr.
Description
1
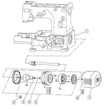
Frame assemblies
2
Cover assemblies
3
Cloth plate assemblies
4
Hook shaft assemblies
5
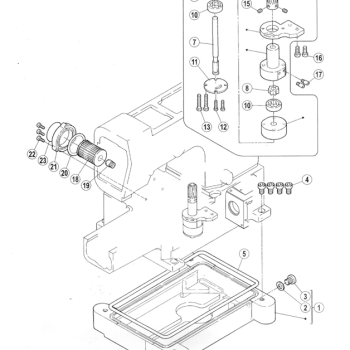
Main shaft assemblies
6
Needle bar assemblies
7
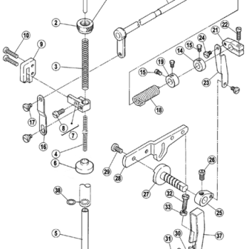
Needle guard assemblies
8
Feed mechanism
9
Need mechanism
10
Differential assemblies
11
Presser form assemblies
12
Needle feeding assemblies
13
Thread loosing assemblies
14
Thread loosing assemblies (2)
15
Cam assemblies assemblies
16
Lubricatrion assemblies
17
Oil pump assemblies
18
Thread apool assemblies
19
- 02BB Specific parts
20
- 35AC -35BFt device
21
DⅠ Specific parts
22
Gauge Parts