ru
en
ro
Главная
Контакты
Контакты
О нас
Новости
О заводе
Сервисный центр и гарантия
Прямострочные
Оверлоки
Распошивальные
Спец. Машины
Запчасти
Search
ru
en
ro
JK-SHIRLEY IIE
Parts Code
0
Nr.
Description
1
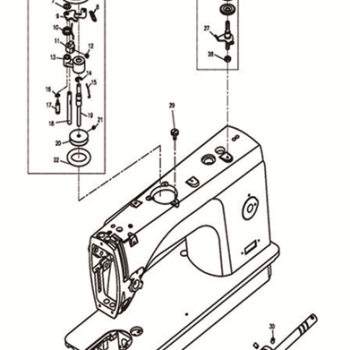
Machine frame & miscellaneous cover components
2
Bobbin components
3
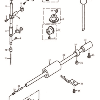
Main shaft & thread take-up components
4
Needle bar, Upright shaft & Hook driving shaft components
5
Presser bar components
6
Feed mechanism components
7
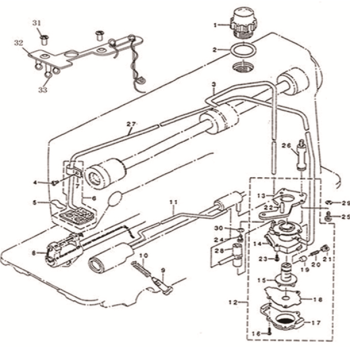
Thread trimmer components
8
Oil lublication components
9
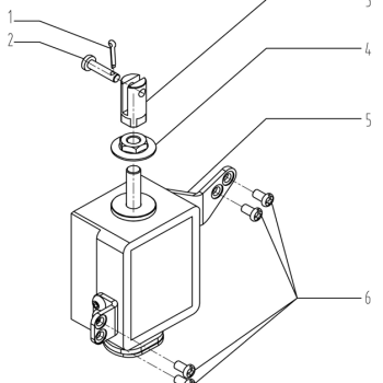
Automatic reverse feed components
10
Auto lifter components
11
Oil reservoir, Knee lifter components