ru
en
ro
Home
Contact us
Contact us
About us
News
Jack Info
Guarantee of qualities
Lockstitch
Overlock
Interlock
Special Machine
Spare Parts
Search
ru
en
ro
JK-782D
Parts Code
0
Nr.
Description
1
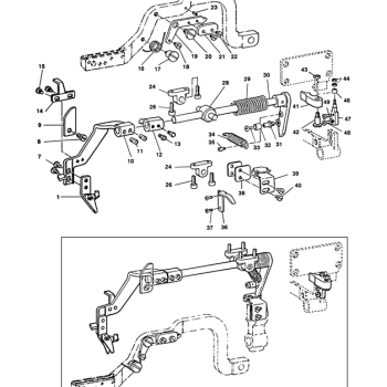
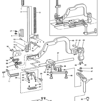
FRAME & MISCELLANEOUS COVER
2
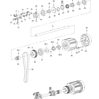
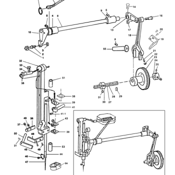
MAIN SHAFT COMPONENTS
3
HOOK DRIVING SHAFT COMPONENTS
4
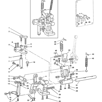
PRESSER BAR. WORK CLAMP CARRIER COMPONENTS
5
NEEDLE BAR FRAME COMPONENTS
6
OVEREDGING WIDTH ADJUSTING COMPONENTS
7
NEEDLE THREAD TRIMMER COMPONENTS
8
BOBBIN THREAD TRIMMER COMPONENTS
9
KNIFE BAR COMPONENTS
10
FEED CAM & TRIPPING SEGMENT COMPONENTS
11
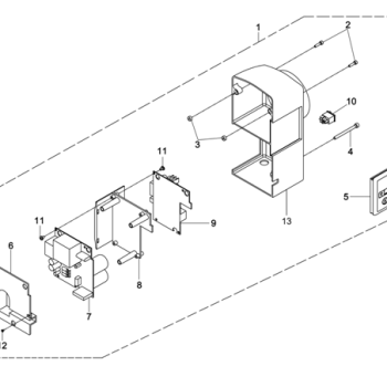
CONTROL BOX COMPONENTS
12
SAFE PROTECTION COMPONENTS
13
LIFTING LEVER & BOBBIN WINDER COMPONENTS
14
THREAD TENSION COMPONENTS
15
LUBRICATION MECHANISM COMPONENTS